Cub Cadet Safety Switch Repair : Cub Cadet Tank M60 Kh Service Manual Manualzz : I found out that i had an issue with the parking brake switch.

Cub Cadet Safety Switch Repair : Cub Cadet Tank M60 Kh Service Manual Manualzz : I found out that i had an issue with the parking brake switch.. The first one, and the one nearest the second switch is on the opposite side of the mower and is depressed by the shaft when the was told about the safety line by a friend who runs a small engine and equipment salvage and repair shop. Cub cadet ltx 1050 manual online: Cub cadet lawn care equipment has been built to last through the harshest of weather conditions. Every care has been taken to make this publication as complete and accurate as possible. If so, the reverse safety switch and seat safety switch both tie into this pto safety circuit.

The confidence of using parts specifically designed for a exact fit, optimal performance and maximum safety. The pto on my three year old cub cadet rider works only a few seconds at a time. Amazon's choicefor cub cadet safety switch. How can you cut in reverse on your cub cadet 1018? Turn the engine off and allow it to cool.

Fixed Mower Will Not Start Safety Switch Diagnosis And Repair Cub Cadet Rtz Ztr Youtube
Fixed Mower Will Not Start Safety Switch Diagnosis And Repair Cub Cadet Rtz Ztr Youtube from i.ytimg.com
With over 1.4 million parts in our database, we can get the parts you need. Brake safety switch cub cadet 1045. You have to trace from. We have all the manual for you to successfully repair your tractor. Would this be likely to be the clutch or switch or safety swicth relays?… read more. First thing to check would be loose or dirty connections on the seat/reverse safety switches, then try bypassing. The confidence of using parts specifically designed for a exact fit, optimal performance and maximum safety. My cub cadet rzt would not crank.

Does anybody know where the switch is located?

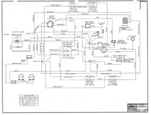
I believe they were available if the rear bagger attachment got to heavy. Amazon's choicefor cub cadet safety switch. Cub cadet 2130 series 1994 1995 wiring schematic. The switch automatically disengages the engine when weight is taken off the seat, such as. Cub cadet xt1 safety switches & slow reverse. See your cub cadet service dealer. In addition to its reputation for durability, the cub cadet also has many one such safety feature is its seat safety switch. Brake safety switch cub cadet 1045. Due to the size of the operator's manual, some operator's manuals are broken down into two or more segments so that the entire operator's manual can be downloaded easily. I have already replaced both the battery and solenoid. The switch automatically disengages the engine when weight is taken off the seat such as. Just pulling the plug does't work so it needs jumping. The right is reserved to make changes at any time to this document without prior notice.

Designed for your safety and protection. Cub cadet genuine parts gives you a genuine advantage: Remove the ignition key, disconnect the spark plug ignition wire before performing any maintenance on your cub cadet ultima zt2, refer to your owner's manual for recommended maintenance and safety information. My cub cadet rzt would not crank. This model is designed to shut off the cutting deck when the.

Cub Cadet 2130 2135 Safety Switch Issue My Tractor Forum
Cub Cadet 2130 2135 Safety Switch Issue My Tractor Forum from www.mytractorforum.com
Parking your cub cadet on a flat, level surface. This model is designed to shut off the cutting deck when the. We have replacement pto switches to get your cub cadet repair or maintenance started. Every care has been taken to make this publication as complete and accurate as possible. Your safety switches also run to your pto switch. The right is reserved to make changes at any time to this document without prior notice. There's 4 wires on mine instead of the traditional 2. Designed for your safety and protection.

Replacement cub cadet pto switches:

Just pulling the plug does't work so it needs jumping. Replacement cub cadet pto switches: The switch automatically disengages the engine when weight is taken off the seat, such as. I am wondering if anyone has an operators manual for a cadet 85 special. I found out that i had an issue with the parking brake switch. I have already replaced both the battery and solenoid. 4.4 out of 5 stars 32. The pto on my three year old cub cadet rider works only a few seconds at a time. The confidence of using parts specifically designed for a exact fit, optimal performance and maximum safety. Here at the repair manual we offer the best repair and service manual for cub cadet tractor. Cub cadet 2130 series 1994 1995 wiring schematic. Safety interlock system & switch operation checks the following operational checks should be made daily: Diy mower will not crank safety switch diagnosis and my cub cadet rzt would not crank safety switch diagnosis and repair cub cadet rtz ztr how safety switches work on your cub cadet key switch diagram.

Your safety switches also run to your pto switch. Brake safety switch cub cadet 1045. Cub cadet lawn care equipment has been built to last through the harshest of weather conditions. There are three safety switches in the electrical circuit which control the engine. Cub cadet 2166 with kohler.

Cub Cadet Commercial Repair Part Ma 10253505401 Safety Switch Partstree
Cub Cadet Commercial Repair Part Ma 10253505401 Safety Switch Partstree from www.partstree.com
I believe they were available if the rear bagger attachment got to heavy. Repair the damage before restarting and operating. I have a 2003 cub cadet 1525. How do you jump the seat safety switch on a cub rider so it runs when you get off? Disabling safety switch on riding mowers. Replacement cub cadet pto switches: They are (1) the blade clutch switch, (2) the parking brake/lap bar switch, (3) the seat switch.they note: Cub cadet lawn care equipment has been built to last through the harshest of weather conditions.

Does your cub cadet have the reverse safety switch that prevents you from mowing in reverse?

The switch automatically disengages the engine when weight is taken off the seat, such as. Electric pto clutch this clutch operates when the engine is running, the operator is in the operator's seat and the. Repair the damage before restarting and operating. Cub cadet, its parents, affiliates and subsidiaries, is concerned about the safety of its customers and others. Your safety switches also run to your pto switch. The confidence of using parts specifically designed for a exact fit, optimal performance and maximum safety. I have already replaced both the battery and solenoid. I have a cub cadet 1811 serial number 789178 the pto wll not stay on as long as you hold the switch in the position which starts the pto it is fine but when it i have a lt 1045 cub cadet lawn tractor. The first one, and the one nearest the second switch is on the opposite side of the mower and is depressed by the shaft when the was told about the safety line by a friend who runs a small engine and equipment salvage and repair shop. There are two switches activated via the brake pedal and shaft. I have a 2003 cub cadet 1525. Cub cadet 2166 with kohler. How can you cut in reverse on your cub cadet 1018?